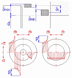
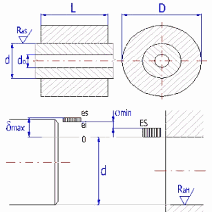
该计算用于几何设计和强度检查,轴的力耦合带有圆柱接触面积的轮毂。
该应用程序为以下任务提供了解决方案::
- 力配合设计,可能是收缩配合。
- 带有分离或单侧切割轮毂的夹紧连接设计。
- 设计联轴器的强度校核。
- 检查由附加径向力和弯矩引起的过盈配合。
- 检查在特定工作温度下工作的过盈配合。
计算基于来自专业文献和标准 ANSI、ISO、DIN 等的数据、程序和算法。
标准清单: ANSI B4.1, ISO 286





该计算用于几何设计和强度检查,轴的力耦合带有圆柱接触面积的轮毂。
该应用程序为以下任务提供了解决方案::
计算基于来自专业文献和标准 ANSI、ISO、DIN 等的数据、程序和算法。
标准清单: ANSI B4.1, ISO 286