该计算适用于承受静态或循环载荷的各种类型和设计的金属弹簧的几何和强度设计。
该程序执行以下任务:
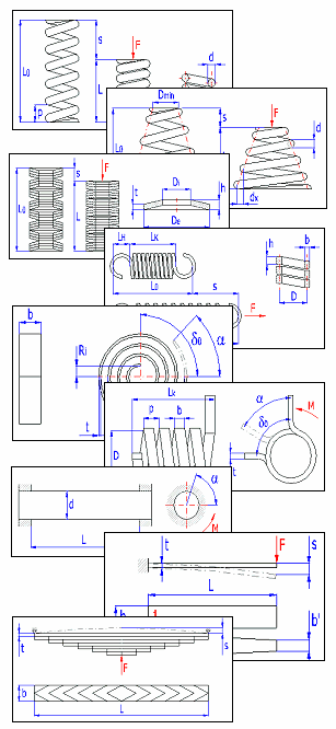
- 以下类型和设计的金属弹簧的几何设计和工作循环参数的计算:
- 圆线材和棒材的螺旋圆柱压缩弹簧
- 矩形线材和棒材的螺旋圆柱压缩弹簧
- 圆线材和棒材的螺旋锥形压缩弹簧
- 矩形线材和棒材的螺旋锥形压缩弹簧
- 贝勒维尔弹簧
- 圆线材和棒材的螺旋圆柱拉伸弹簧
- 矩形线材和棒材的螺旋圆柱拉伸弹簧
- 螺旋弹簧
- 由圆线和棒制成的螺旋圆柱扭转弹簧
- 由矩形线材和棒材制成的螺旋圆柱扭转弹簧
- 圆形截面扭杆弹簧
- 矩形截面扭杆弹簧
- 具有恒定轮廓的板簧
- 具有抛物线轮廓的板簧
- 层压板弹簧
- 自动建议(寻找)具有合适尺寸的弹簧。
- 静态和动态强度检查。
该应用程序包括符合 EN、ASTM/SAE、DIN、BS、JIS、UNI、SIS、CSN 等标准的常用弹簧材料表。
计算基于来自专业文献和标准 EN 13906、DIN 2088、DIN 2089、DIN 2090、DIN 2091、DIN 2092、DIN 2093、DIN 2095、DIN 2096、DIN 2097 的数据、程序、算法和数据。
_EN.png)
